Фотодатчик ФР-601 IEK LFR20-601-2200-003 (10 А, 2200 В*А, IP44), серый
Фотореле ФР-601 IEK предназначено для автоматического включения и отключения уличного и внутреннего освещения (подсветки витрин, световой рекламы и т.п.) в зависимости от уровня освещенности.
Соответствуют ГОСТ Р 51324.2.1-99.
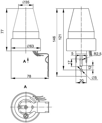
Размеры

Конструкция и материалы
- Корпус фотореле выполнен из не поддерживающего горение пластика (поликарбонат).
- Внутри корпуса находятся основание с электронной платой, защитный пластиковый кожух, встроенный фотоэлемент.
- В качестве коммутирующего нагрузку элемента использовано электромеханическое реле.
- Регулятор LUX порога срабатывания в зависимости от уровня освещенности находится на основании корпуса фотореле.
- Вращением регулятора (регулировка "+", "-") можно установить порог срабатывания фотореле в зависимости от уровня освещенности окружающей среды от 5 (сумерки) до 50 лк.
Технические характеристики
| Тип изделия | датчик освещенности |
| Фотоэллемент | встроенный |
| Тип реле | электромеханический |
| Номинальное напряжение, В | АС 230 |
| Частота тока, Гц | 50 |
| Потребляемая мощность фотореле во включенном состоянии, Вт | 0,45 |
| Максимальный ток нагрузки, А | 10 |
| Максимальная мощность нагрузки Pmax, В*А | 2200* |
| Рабочая освещенность, лк | 5 - 50 (регулируется) |
| Время выдержки, сек. | 16 |
| Класс защиты от поражения электрическим током | II (ГОСТ IEC 61140) |
| Сечение подключаемых проводников, кв.мм | 1,5 |
| Температура эксплуатации, °C | -25... +45 |
| Относительная влажность воздуха при +25 °C, % | до 98 |
| Степень защиты от пыли и влаги | IP44 |
| Цвет корпуса | Серый |
| Срок службы изделия, лет | 7 |
Примечание
- Максимальная мощность* светодиодных и газоразрядных источников света снижается.
Мощность нагрузки в ваттах рассчитывается по формуле: P=Pmax* cos ?, где Pmax - максимальная мощность нагрузки, В*А; cos ? - коэффициент мощности.
- Газоразрядные лампы необходимо подключать через контактор (типа КТИ, КМИ) соответствующего номинального тока.
Монтаж
- Перед монтажом фотореле необходимо удостовериться в отсутствии помех для попадания естественного дневного света на фоточувствительный элемент прибора.
- Установить крепежный уголок 3 на основание фотореле 4 и закрепить его винтом 6.
- Смонтированное на крепежном уголке фотореле установить и закрепить на месте установки при помощи крепежа, входящего в монтажный комплект.
Монтаж фотореле производить основанием вниз.
![]() |
1 - защитный кожух. 3 - крепежный уголок. 5 - регулятор освещенности LUX. |
Подключение
Подключить сетевые провода и провода от нагрузки к присоединительным проводам фотореле согласно схеме подключения:
- коричневый провод - подключение фазы (L);
- синий провод - подключение нейтрали (N);
- красный провод - подключение нагрузки.

Комплектация
- Фотореле.
- Крепежный уголок.
- Винт М5 крепления уголка - 1 шт.
- Монтажный комплект.
Преимущества
- Доставка по всей России
- Более 200 000 товаров в ассортименте
- Профессиональная консультация
- Кабель БЕЗ опасности
- Качество по ГОСТу
|
Бренд
|
IEK |
|
СрокГарантии, мес
|
12 |
|
Номинальное напряжение, В
|
230 |
|
Максимальная коммутационная мощность, Вт (Датчик освещенности)
|
2200Вт |
|
Максимальный ток нагрузки, А
|
10 |
|
Серия
|
ФР601 |
|
Тип изделия
|
Фотодатчик |
-
Зайдите на страницу товара и нажмите на кнопку «В корзину».
Далее можно продолжить покупки или перейти к оформлению заказа.
-
Перейдите в Корзину и нажмите «Перейти к оформлению».
Можно авторизоваться или оформить заказ без регистрации. Зарегистрированные пользователи могут:
- Отслеживать статус заказа
- Получать спецпредложения и промокоды на дополнительные скидки
- Укажите Ваши контакты: ФИО, телефон и e-mail.
- Выберите способ получения заказа (доставка или пункт самовывоза) и способ оплаты.
- Далее «Оформить заказ».
Готово: ваш заказ создан! По электронной почте или в личном кабинете Вы можете отслеживать статус заказа.
Теперь останется только ждать доставки и радоваться новой покупке!
Оплачивайте покупки удобным способом.
В нашем интернет-магазине доступно 3 варианта оплаты:
- Оплата наличными или картой при самовывозе в пункте выдачи заказов/магазине.
- Онлайн-оплата на сайте при оформлении заказа. Для совершения покупки система перенаправит вас на страницу платежного сервиса. Здесь необходимо заполнить форму по инструкции.
- Оплата по счету для юридических лиц. Оплата происходит после предоставления реквизитов для выставления счета. Покупатель получает счет на указанный e-mail.
Доступно 3 варианта доставки:
- Самовывоз из магазина. Список торговых точек для выбора появится в корзине. Для получения заказа обратитесь к сотруднику в кассовой зоне и назовите номер заказа.
- Доставка транспортной компанией СДЭК или Почтой РФ в отделение или постамат.
По всем возникающим вопросам можете позвонить нам на горячую линию:
Ежедневно с 8:00 до 20:00 по МСК
E-mail: help@kristall43.ru
Адрес: 610000, г. Киров, ул. Щорса, 68г, кабинет 3

