Фотодатчик ФР-604 IEK (3300 ВА, 15 А, IP66) открытой установки, белый
Фотореле ФР-604 IEK предназначено для автоматического включения и отключения уличного и внутреннего освещения (подсветка витрин, световая реклама и т.п.) в зависимости от уровня освещенности.
Соответствует ГОСТ Р 51324.2.1-99.

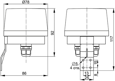
Размеры

Конструкция и материалы
- Корпус фотореле выполнен из не поддерживающего горение пластика (поликарбонат).
- Внутри корпуса находится основание с электронной платой и защитный пластиковый кожух, встроенный фотоэлемент.
- В качестве коммутирующего нагрузку элемента использовано электромеханическое реле.
- Порог срабатывания фотореле устанавливается регулятором LUX.
- Вращением регулятора (регулировка "+", "-" можно установить порог срабатывания фотореле.
Технические характеристики
| Артикул | LFR20-604-3300-K01 |
| Тип изделия | датчик освещенности |
| Фотоэлемент | встроенный |
| Коммутирующий нагрузку элемент | электромеханическое реле |
| Цвет корпуса | Белый |
| Номинальное напряжение, В | АС 230 |
| Частота тока, Гц | 50 |
| Максимальная мощность нагрузки Pmax, ВА | 3300 |
| Потребляемая мощность фотореле во включенном состоянии, Вт | 0,45 |
| Максимальный ток нагрузки, А | 15 |
| Диапазон регулировки порога освещенности, лк | 5 - 50 (регулируется) |
| Время выдержки, сек. | 16 |
| Температура эксплуатации, °С | -25... +45 |
| Относительная влажность воздуха, % | 98 (при +25 °С) |
| Степень защиты от пыли и влаги | IP66 |
| Тип монтажа | открытая установка |
| Способ крепления | на монтажную скобу основанием вниз |
| Класс защиты от поражения электрическим током | II |
| Срок службы, лет | 7 |
Монтаж и подключение
![]() |
|
Схема подключения

Примечание
- При установке необходимо располагать фотореле вдали от химически активной среды, горючих и легко воспламеняющихся веществ.
- Максимальная мощность светодиодных и газоразрядных источников света снижается.
Мощность нагрузки в ваттах рассчитывается по формуле:
P = Pmax х cos ?,
где Рmax - максимальная мощность нагрузки, ВА;
cos ? - коэффициент мощности.
- Газоразрядные лампы необходимо подключать через контактор (тип КТИ, КМИ) соответствующего номинального тока.
Регулировка
Регулятор LUX порога срабатывания в зависимости от уровня освещенности находится на основании корпуса фотореле.
Вращением регулятора (регулировка "+", "-") можно установить порог срабатывания фотореле, в зависимости от уровня освещенности окружающей среды от 5 (сумерки) до 50 лк.
Требуемый уровень срабатывания фотореле выбирается опытным путем.
Комплектация
- Фотореле.
- Крепежный уголок.
- Монтажный комплект.
- Резьбовые сальники - 2 шт.
Преимущества
- Доставка по всей России
- Более 200 000 товаров в ассортименте
- Профессиональная консультация
- Кабель БЕЗ опасности
- Качество по ГОСТу
-
Зайдите на страницу товара и нажмите на кнопку «В корзину».
Далее можно продолжить покупки или перейти к оформлению заказа.
-
Перейдите в Корзину и нажмите «Перейти к оформлению».
Можно авторизоваться или оформить заказ без регистрации. Зарегистрированные пользователи могут:
- Отслеживать статус заказа
- Получать спецпредложения и промокоды на дополнительные скидки
- Укажите Ваши контакты: ФИО, телефон и e-mail.
- Выберите способ получения заказа (доставка или пункт самовывоза) и способ оплаты.
- Далее «Оформить заказ».
Готово: ваш заказ создан! По электронной почте или в личном кабинете Вы можете отслеживать статус заказа.
Теперь останется только ждать доставки и радоваться новой покупке!
Оплачивайте покупки удобным способом.
В нашем интернет-магазине доступно 3 варианта оплаты:
- Оплата наличными или картой при самовывозе в пункте выдачи заказов/магазине.
- Онлайн-оплата на сайте при оформлении заказа. Для совершения покупки система перенаправит вас на страницу платежного сервиса. Здесь необходимо заполнить форму по инструкции.
- Оплата по счету для юридических лиц. Оплата происходит после предоставления реквизитов для выставления счета. Покупатель получает счет на указанный e-mail.
Доступно 3 варианта доставки:
- Самовывоз из магазина. Список торговых точек для выбора появится в корзине. Для получения заказа обратитесь к сотруднику в кассовой зоне и назовите номер заказа.
- Доставка транспортной компанией СДЭК или Почтой РФ в отделение или постамат.
По всем возникающим вопросам можете позвонить нам на горячую линию:
Ежедневно с 8:00 до 20:00 по МСК
E-mail: help@kristall43.ru
Адрес: 610000, г. Киров, ул. Щорса, 68г, кабинет 3
