Датчик движения выносной MD 021 "Эра" (100 ВА, 6 м, 160°, IP20) скрытой установки, белый
Датчик движения выносной MD 021 "Эра" позволяет производить включение осветительных приборов, питающихся от сети 220 В переменного тока, при появлении движущегося объекта в зоне обнаружения датчика.
Благодаря этому, а также наличию регулировки времени задержки выключения и настройки чувствительности к внешней освещенности, обеспечивается экономия не только времени, но и денег за счет разумной экономии электроэнергии.
Коммутация подключаемой нагрузки осуществляется электромеханическим реле.

Размеры

Материалы и цвета
| Цвет выносного сенсора | Белый |
| Материал выносного сенсора | пластик |
Технические характеристики
| Артикул | Б0043798 |
| Тип изделия | датчик движения инфракрасный |
| Исполнение | выносной сенсор + основной блок |
| Номинальное напряжение, В | АС 220 - 240 |
| Частота тока, Гц | 50 |
| Максимальная мощность нагрузки Pmax*, ВА | 100 |
| Максимальный ток нагрузки, А | 0,5 |
| Угол обнаружения в горизонтальной плоскости, градусов | 160 |
| Дальность обнаружения, м | 6 (не регулируется) |
| Время задержки отключения | 5 сек. / 30 сек. / 1 мин. / 3 мин. / 5 мин. / 8 мин. |
| Порог освещенности, лк | 10 - 2000 (дневной свет) - регулируется |
| Температура эксплуатации, °C | -25... +45 |
| Степень защиты от пыли и влаги | IP20 |
| Тип монтажа | скрытая установка |
| Класс защиты от поражения электрическим током | II (ГОСТ 61140) |
| Срок службы, не менее, лет | 7 |
* Мощность нагрузки в ваттах рассчитывается по формуле: P = Pmax х cos ?,
где Pmax - максимальная мощность нагрузки в вольт-амперах, cos ? - коэффициент мощности.
Диаграмма
Диаграмма направленности датчика в горизонтальной плоскости:

Сплошной областью указана зона действия датчика при температуре окружающей среды от 0 до +25 °C,
пунктирной линией - при температуре окружающей среды от +25 до +40 °C.
Монтаж и подключение

При выборе места установки необходимо учитывать следующие рекомендации.
- Инфракрасные датчики движения реагируют только на движущиеся объекты, создающие инфракрасное (тепловое) излучение.
- Наиболее эффективно датчик реагирует на объект, движущийся вдоль зоны действия датчика, а не в направлении к нему или от него.
- При выборе места установки датчика следует учитывать факторы и объекты, которые могут вызывать ложные срабатывания датчика (бытовые климатические и отопительные системы и приборы, близко расположенные приборы с вращающимися лопастями, проезжающие автомобили, ветви деревьев и кустарников в ветреную погоду, грозовые электромагнитные помехи).
Монтаж и подключение датчика осуществляются следующим образом.
- Отсоедините разъем выносного сенсора от основного блока датчика.
- Установите сенсор в монтажное отверстие и зафиксируйте пластиковой гайкой.
- Закрепите основной блок датчика на опорной поверхности и выполните электрическое соединение проводников питания и нагрузки с проводниками датчика в соответствии с нижеприведенной схемой.
- Подключите разъем выносного сенсора к основному блоку датчика.
- Включите сетевое питание и произведите все необходимые регулировки параметров датчика.
Дополнительные способы подключения
- Для обеспечения режима постоянного включения нагрузки, в независимости от присутствия движущихся объектов в зоне обнаружения датчика и уровня освещенности, подключите датчик согласно нижеприведенной схеме.
Выключатель в такой схеме шунтирует датчик движения, и на нагрузку непрерывно подается напряжение.
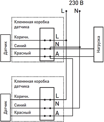
- Для расширения зоны обнаружения используйте параллельное подключение нескольких датчиков движения согласно следующей схеме.
При таком подключении цепь нагрузки замыкается при срабатывании любого из датчиков.
- Для увеличения нагрузочной способности подключите контактор КМИ в цепь нагрузки.
Регулировка датчика
![]() |
|
Преимущества
- Доставка по всей России
- Более 200 000 товаров в ассортименте
- Профессиональная консультация
- Кабель БЕЗ опасности
- Качество по ГОСТу
|
Бренд
|
ЭРА |
|
Дальность действия, м
|
6 |
|
СрокГарантии, мес
|
12 |
|
Коммутационная мощность, Вт
|
100 |
|
Номинальное напряжение, В
|
220 |
|
Модель изделия
|
MD 021 |
|
Угол обнаружения по горизонтали
|
160 |
-
Зайдите на страницу товара и нажмите на кнопку «В корзину».
Далее можно продолжить покупки или перейти к оформлению заказа.
-
Перейдите в Корзину и нажмите «Перейти к оформлению».
Можно авторизоваться или оформить заказ без регистрации. Зарегистрированные пользователи могут:
- Отслеживать статус заказа
- Получать спецпредложения и промокоды на дополнительные скидки
- Укажите Ваши контакты: ФИО, телефон и e-mail.
- Выберите способ получения заказа (доставка или пункт самовывоза) и способ оплаты.
- Далее «Оформить заказ».
Готово: ваш заказ создан! По электронной почте или в личном кабинете Вы можете отслеживать статус заказа.
Теперь останется только ждать доставки и радоваться новой покупке!
Оплачивайте покупки удобным способом.
В нашем интернет-магазине доступно 3 варианта оплаты:
- Оплата наличными или картой при самовывозе в пункте выдачи заказов/магазине.
- Онлайн-оплата на сайте при оформлении заказа. Для совершения покупки система перенаправит вас на страницу платежного сервиса. Здесь необходимо заполнить форму по инструкции.
- Оплата по счету для юридических лиц. Оплата происходит после предоставления реквизитов для выставления счета. Покупатель получает счет на указанный e-mail.
Доступно 3 варианта доставки:
- Самовывоз из магазина. Список торговых точек для выбора появится в корзине. Для получения заказа обратитесь к сотруднику в кассовой зоне и назовите номер заказа.
- Доставка транспортной компанией СДЭК или Почтой РФ в отделение или постамат.
По всем возникающим вопросам можете позвонить нам на горячую линию:
Ежедневно с 8:00 до 20:00 по МСК
E-mail: help@kristall43.ru
Адрес: 610000, г. Киров, ул. Щорса, 68г, кабинет 3

