Шина соединительная IEK YNS51-3-100 (PIN, 3Р, 100 А, шаг 27 мм), длина 1 м
Шина соединительная типа PIN с шагом 27 мм предназначена для коммутации аппаратуры шириной, кратной полутора модулям.
Применяется для удобного и безопасного соединения групп ВА (выключатели автоматические), АД (автоматы дифференциальные), ВД (выключатели дифференциальные), ВН (выключатели нагрузки).
Шина рассчитана на номинальный ток 100 А.
Может быть использована с номинальным током 125 А, если вводной автомат подключать по центру.
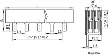
Размеры

| Размеры, мм | ||||||
|---|---|---|---|---|---|---|
| L | L1 | L2 | L3 | n, шт. | B | B1 | 
| 1000 | 27 | 945 | 7,5 | 36 | 46,2 | 12 | 
Материалы
Шина выполнена из медных пластин и помещена в пластиковый изолирующий корпус, не поддерживающий горение.
Технические характеристики
| Номинальный продолжительный ток Iu, А | 100 (125*) | 
| Номинальное импульсное напряжение, кВ | 4 | 
| Номинальный кратковременно выдерживаемый ток Icw, кА | 17 | 
| Общее количество полюсов | 3 | 
| Номинальное напряжение, В | 230 / 400 | 
| Номинальное напряжение изоляции Ui, В | 600 | 
| Тип подключения | штырь | 
| Размер шага | 27 | 
| Максимальное количество подключаемых устройств | 36 | 
| Температура эксплуатации, °C | -45... +40 | 
| Срок службы, не менее, лет | 15 | 
| Вес изделия, кг | 0,7 | 
* Возможно использование шины на токи 125 А в случае подключения вводного устройства по центру.
Преимущества
- Доставка по всей России
- Более 200 000 товаров в ассортименте
- Профессиональная консультация
- Кабель БЕЗ опасности
- Качество по ГОСТу
| 
										Бренд
																			 | IEK | 
| 
										Длина, мм
																			 | 1000 | 
| 
										Количество модулей (модульная ширина)
																			 | 36 | 
| 
										СрокГарантии, мес
																			 | 1 | 
| 
										Количество полюсов
																			 | 3 | 
| 
										Номинальный ток, А
																			 | 100 | 
| 
										Размер шага, мм
																			 | 27 | 
| 
										Тип шины
																			 | PIN | 
- 
		Зайдите на страницу товара и нажмите на кнопку «В корзину».
		Далее можно продолжить покупки или перейти к оформлению заказа. 
- 
		Перейдите в Корзину и нажмите «Перейти к оформлению».
		Можно авторизоваться или оформить заказ без регистрации. Зарегистрированные пользователи могут: - Отслеживать статус заказа
- Получать спецпредложения и промокоды на дополнительные скидки
 
- Укажите Ваши контакты: ФИО, телефон и e-mail.
- Выберите способ получения заказа (доставка или пункт самовывоза) и способ оплаты.
- Далее «Оформить заказ».
Готово: ваш заказ создан! По электронной почте или в личном кабинете Вы можете отслеживать статус заказа.
Теперь останется только ждать доставки и радоваться новой покупке!
Оплачивайте покупки удобным способом.
В нашем интернет-магазине доступно 3 варианта оплаты:
- Оплата наличными или картой при самовывозе в пункте выдачи заказов/магазине.
- Онлайн-оплата на сайте при оформлении заказа. Для совершения покупки система перенаправит вас на страницу платежного сервиса. Здесь необходимо заполнить форму по инструкции.
- Оплата по счету для юридических лиц. Оплата происходит после предоставления реквизитов для выставления счета. Покупатель получает счет на указанный e-mail.
Доступно 3 варианта доставки:
- Самовывоз из магазина. Список торговых точек для выбора появится в корзине. Для получения заказа обратитесь к сотруднику в кассовой зоне и назовите номер заказа.
- Доставка транспортной компанией СДЭК или Почтой РФ в отделение или постамат.
По всем возникающим вопросам можете позвонить нам на горячую линию:
Ежедневно с 8:00 до 20:00 по МСК
E-mail: help@kristall43.ru
Адрес: 610000, г. Киров, ул. Щорса, 68г, кабинет 3
 
																																	 
																																									 
																																									 
																																									 
																																	 
																																									 
																																									 
																																									 
																																									 
																																									 
																																	 
																																									 
																																									 
																																									 
																																									 
																																	 
																																									 
																																									 
																																									 
																																									 
																																									 
																																	 
																																									 
																																									 
																																									 
																																									 
																																									 
																																									 
																																									 
																																									 
																																									 
																																									 
																																	 
																																	 
																																									 
																																									 
																																									 
																																									 
																																									 
																																									 
																																	 
																																									 
																																	 
																																									 
																																	 
																																	 
																																									 
																																									 
																																									 
																																									 
																																									 
																																									 
																																	 
																																									 
																																									 
																																									 
																																									 
																																									 
																																									 
																																									 
																																									 
																																									 
																																									 
																																									 
																																	 
																																									 
																																									 
																																									 
																																									 
																																									 
																																									 
																																	 
																																									 
																																	 
																																									 
																																									 
																																									 
																																									 
																																	 
																																									 
																																									 
																																	 
																																									 
																																	 
																																									 
																																									 
																																									 
																																									 
																																									 
																																									 
																																									 
																																									 
																																	 
																																									 
																																	 
																																									 
																																									 
																																									 
																																									 
																																									 
																																									 
																																	 
																																									 
																																									 
																																									 
																																									 
																																									 
																																									 
																																									 
																																									 
																																									 
																																									 
																																									 
																																									 
																																									 
																																									 
																																	 
																																									 
																																									 
																																	 
																																									 
																																									 
																																	 
																																									 
																																									 
																																	 
																																									 
																																									 
																																	 
																																	 
																																									 
																																									 
																																									 
																																	 
																																									 
																																	 
																																									 
																																	 
																																									 
																																									 
																																									 
																																	 
																																									 
																																	 
																																									 
																																									 
																																									 
																																	 
																																									 
																																									 
																																	 
																																									 
																																									 
																																									 
																																									 
																																									 
																																									 
																																									 
																																	 
																																									 
																																									 
																																									 
																																									 
																																									 
																																									 
																																									 
																																									 
																																	 
																																									 
																																									 
																																									 
																																									 
																																									 
																																									 
																																									 
																																	 
																																	 
																																									 
																																									 
																																									 
																																									 
																																	 
																																									 
																																	 
																																									 
																																									 
																																									 
																																	 
																																	 
																																	 
																																	 
																																	 
																																									 
																																									 
																																									 
																																									 
																																									 
																																									 
																																									 
																																									 
																																	 
																																	 
																																									 
																																									 
																																	 
																																									 
																																	 
																																									 
																																	 
																																									 
																																									 
																																									 
																																									 
																																									 
																																									 
																																									 
																																									 
																																									 
																																									 
																																									 
																																									 
																																	 
																																									 
																																									 
																																									 
																																									 
																																									 
																																									 
																																									 
																																	 
																																									 
																																									 
																																									 
																																	 
																																									 
																																									 
																																									 
																																	 
																																									 
																																									 
																																	 
																																									 
																																									 
																																	 
																																									 
																																									 
																																									 
																																									 
																																									 
																																									 
																																									 
																																									 
																																									 
																																									 
																																									 
																																									 
																																	 
																																									 
																																	 
																																									 
																																									 
																																									 
																																									 
																																									 
																																	 
																																									 
																																									 
																																									 
																																	 
																																									 
																																									 
																																									 
																																	 
																																									 
																																	 
																																									 
																																									 
																																									 
																																	 
																																									 
																																									 
																																									 
																																									 
																																									 
																																									 
																																									 
																																									 
																																	 
																																									 
																																									 
																																									 
																																									 
																																									 
																																									 
																																	 
																																									 
																																	 
																																									 
																																									 
																																									 
																																	 
																																									 
																																									 
																																									 
																																	 
																																									 
																																									 
																																									 
																																									 
																																									 
																																	 
																																									 
																																									 
																																									 
																																									 
																																	 
																																									 
																																									 
																																									 
																																									 
																																									 
																																									 
																																	 
																																									 
																																									 
																																									 
																																									 
																																									 
																																	 
																																									 
																																	 
																																									 
																																									 
																																									 
																																									 
																																									 
																																									 
																																									 
																																									 
																																									 
																																									 
																																									 
																																	 
																																									 
																																									 
																																	 
																																									 
																																									 
																																									 
																																									 
																																	 
																																									 
																																	 
																																	 
																																									 
																																									 
																																									 
																																									 
																																									 
																																									 
																																									 
																																									 
																																	 
																																									 
																																									 
																																									 
																																									 
																																									 
																																									 
																																	 
																																	 
																																									 
																																	 
																																	 
																																									 
																																									 
																																									 
																																									 
																																									 
																																									 
																																	 
																																	 
																																									 
																																									 
																																									 
																																									 
																																	 
																																									 
																																									 
																																	 
																																									 
																																									 
																																									 
																																									 
																																									 
																																	 
																																									 
																																									 
																																	 
																																									 
																																									 
																																									 
																																									 
																																									 
																																	 
																																									 
																																									 
																																	 
																																									 
																																									 
																																									 
																																	 
																																									 
																																	 
																																									 
																																									 
																																									 
																																									 
																																									 
																																									 
																																									 
																																									 
					 
                         
                                                                         
                                                                         
                                                                         
                                                                         
                                                                         
                                                                         
                                                                        