Корпус ЩУ-3/1-0 74 У1 IP54 IEK
Корпуса щитов ввода и учета электроэнергии ЩУ предназначены для сборки вводно-учетных электрощитов, с применением модульной аппаратуры, для ввода и учета электроэнергии в жилых и производственных помещениях.
Преимущества
- Повышенная антикоррозийная стойкость.
- Высококачественное наружное покрытие.
- Малогабаритная конструкция.
- Высокая технологичность и простота сборки.
- Удобство монтажа.
- Высокий уровень электробезопасности.
- Сертификат соответствия.
- Установка под открытым небом.
Габаритные размеры
![]() |
1 - корпус щита. 3 - замок. 5 - панель монтажная. 7 - DIN-рейка. |
Материалы и цвета
| Цвет корпуса | Серый (RAL 7035) |
| Материал корпуса | листовая сталь |
| Тип покрытия | порошковое, шагрень |
| Материал уплотнителя | вспененный полиуретан |
Особенности конструкции
![]() |
Позволяют раздельно разместить аппарат защиты (ВА47-29) и аппарат отключения электроэнергии (ВН-32), а также ограничитель импульсных перенапряжений (ОПС1). | ![]() |
Предусмотрена возможность пломбировки оперативной панели в закрытом состоянии. |
![]() |
Оперативная панель закрывает электросчетчик и электроаппараты. Панель крепится к корпусу при помощи петель и запирается индивидуальным замком. |
![]() |
Дополнительный козырек корпуса предотвращает проникновение грязи и воды при открытии двери. |
![]() |
Оперативная панель имеет окно для снятия показаний электросчетчика и прорезь для доступа к аппарату защиты. | ![]() |
Уплотнение из вспененного полиуретана. |
Технические характеристики
| Артикул | MKM51-N-03-54 |
| Вид установки | навесной |
| Толщина металла, мм | 1,0 |
| Способ крепления | к стене, к стоблу |
| Тип применяемых аппаратов | модульные |
| Тип счетчика | трехфазный |
| Максимальное количество модулей | 3 |
| Номинальный ток, А | 50 |
| Угол открытия двери, градусов | 120 |
| Количество вводов | 3 отверстия d 31 мм (снизу) |
| Степень защиты от пыли и влаги | IP54 |
| Климатическое исполнение и категория размещения | У1 |
| Вес изделия, кг | 5,0 |
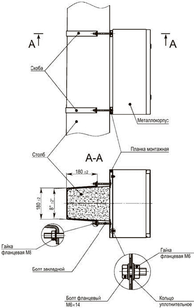
Схемы крепления
| Крепление корпуса к столбу скобой | Крепление корпуса к столбу монтажной полосой |
|---|---|
![]() |
![]() |
Комплектация
![]() |
![]() |
| Знаки электробезопасности | Сальники |
Преимущества
- Доставка по всей России
- Более 200 000 товаров в ассортименте
- Профессиональная консультация
- Кабель БЕЗ опасности
- Качество по ГОСТу
|
Бренд
|
IEK |
|
Высота, мм
|
445 |
|
Глубина, мм
|
150 |
|
СрокГарантии, мес
|
60 |
|
Количество счетчиков
|
1 |
|
Способ монтажа
|
навесной |
|
Серия
|
823f6c4c-e383-11e9-9833-00155d166b05 |
|
Тип счетчика
|
3 |
|
Ширина, мм
|
440 |
-
Зайдите на страницу товара и нажмите на кнопку «В корзину».
Далее можно продолжить покупки или перейти к оформлению заказа.
-
Перейдите в Корзину и нажмите «Перейти к оформлению».
Можно авторизоваться или оформить заказ без регистрации. Зарегистрированные пользователи могут:
- Отслеживать статус заказа
- Получать спецпредложения и промокоды на дополнительные скидки
- Укажите Ваши контакты: ФИО, телефон и e-mail.
- Выберите способ получения заказа (доставка или пункт самовывоза) и способ оплаты.
- Далее «Оформить заказ».
Готово: ваш заказ создан! По электронной почте или в личном кабинете Вы можете отслеживать статус заказа.
Теперь останется только ждать доставки и радоваться новой покупке!
Оплачивайте покупки удобным способом.
В нашем интернет-магазине доступно 3 варианта оплаты:
- Оплата наличными или картой при самовывозе в пункте выдачи заказов/магазине.
- Онлайн-оплата на сайте при оформлении заказа. Для совершения покупки система перенаправит вас на страницу платежного сервиса. Здесь необходимо заполнить форму по инструкции.
- Оплата по счету для юридических лиц. Оплата происходит после предоставления реквизитов для выставления счета. Покупатель получает счет на указанный e-mail.
Доступно 3 варианта доставки:
- Самовывоз из магазина. Список торговых точек для выбора появится в корзине. Для получения заказа обратитесь к сотруднику в кассовой зоне и назовите номер заказа.
- Доставка транспортной компанией СДЭК или Почтой РФ в отделение или постамат.
По всем возникающим вопросам можете позвонить нам на горячую линию:
Ежедневно с 8:00 до 20:00 по МСК
E-mail: help@kristall43.ru
Адрес: 610000, г. Киров, ул. Щорса, 68г, кабинет 3










