Автоматический выключатель дифференциального тока DEKraft ДИФ-101-2Р-063А-300-С (2P, 63 А, 300 мА, 4,5 кА, кривая отключения С)
Автоматический выключатель дифференциального тока DEKraft серии ДИФ-101 со встроенной защитой от сверхтоков сочетает функции автоматического выключателя и УЗО.
Модель с током утечки 300 мА обеспечивает защиту:
- от короткого замыкания;
- перегрузки;
- возникновения утечки тока (в частности, вследствие прикосновения человека к токоведущим частям);
- от пожара при утечках тока.
Конструктивно ДИФ-101 представляет собой автоматический выключатель с присоединенным к нему электронным блоком дифференциальной защиты.
Принцип действия
ДИФ-101 является сочетанием блока дифференциальной защиты и автоматического выключателя, и принцип его действия аналогичен этим двум продуктам.
Левая часть устройства функционирует как автомат, а правая - как УЗО.
При этом неважно, какой именно блок сработал, - цепь, всё равно, разрывается.
При срабатывании дифференциального автомата от утечки тока выступает кнопка "Возврат", которая, таким образом, указывает отключения цепи - именно утечку, а не перегрузку или короткое замыкание.
Аппарат не даст возможности взвести его повторно, если предварительно не была нажата выступившая кнопка "Возврат".
Преимущества
![]() |
Место под надпись на лицевой стороне каждого аппарата дает возможность надписать на каждом аппарате информацию о защищаемой цепи. | ![]() |
Три вида защиты (от токов короткого замыкания, токов перегрузки и токов утечки). Аппарат обеспечивает самую полную защиту электрической цепи и не требует дополнительного использования УЗО или автоматического выключателя. |
![]() |
Четкая маркировка с крупными буквами ускоряет монтаж и упрощает дальнейшее использование аппаратов. | ![]() |
Быстрая ежемесячная проверка работоспособности УЗО кнопкой "Тест" без вызова электрика. |
![]() |
Подключается быстрее и проще, чем автомат в паре с УЗО. | ![]() |
Цена гораздо ниже, чем при покупке УЗО и автоматического выключателя, в силу использования электронной схемы. |
Размеры

Технические характеристики
| Тип изделия | автоматический выключатель дифференциального тока |
| Число полюсов | 2P |
| Количество модулей | 4 |
| Номинальное напряжение переменного тока однофазных устройств, В | 230 |
| Номинальное напряжение переменного тока трехфазных устройств, В | 400 |
| Номинальный ток In, А | 63 |
| Кривая отключения | C |
| Номинальный отключающий дифференциальный ток I?n, mА | 300 |
| Номинальный неотключающий дифференциальный ток I?n, mА | 15 |
| Номинальная отключающая способность Icn, А | 4500 |
| Рабочая отключающая способность Ics, А | 4500 |
| Номинальная включающая и отключающая способность Im, А | 600 |
| Время отключения (срабатывания) при I?n, мс/ |
?100 |
| Тип дифференциального расцепителя | AC |
| Механическая износостойкость, не менее, циклов | 10000 |
| Коммутационная износостойкость, не менее, циклов | 4000 |
| Диапазон рабочих температур, °C | -40... +60 |
| Степень защиты от пыли и влаги | IP20 (открытый аппарат) / IP40 (аппарат в корпусе) |
| Климатическое исполнение и категория размещения | УХЛ4 |
| Максимальное сечение присоединяемого провода, кв.мм | 25 |
| Соответствие стандартам ГОСТ Р | ГОСТ Р 51327.1-2010 (МЭК 61009-1-2006), ГОСТ Р 51327.2.2-99 (МЭК 61009-2-2-91), ГОСТ Р 51329-99 (МЭК 61543-95) |
Время-токовые характеристики

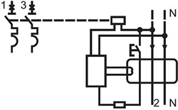
Электрическая схема

Маркировка
![]() |
Номинальный ток - величина тока в амперах (А), который аппарат может проводить в продолжительном режиме работы. | ![]() |
Класс - либо АС - , либо А - . Аппараты класса АС защищают только от синусоидальных переменных токов утечки, класса А - как от синусоидальных, так и от пульсирующих постоянных токов утечки, возникающих в цепи, где есть электронная техника - компьютеры, телевизоры, DVD-плееры, так как эти приборы обладают импульсными источниками питания. |
![]() |
Номинальное напряжение - напряжение переменного тока (знак ~), при котором аппарат работает в нормальных условиях. | ||
![]() |
Номинальная отключающая способность - максимальный ток короткого замыкания, который данный автомат способен отключить и остаться в работоспособном состоянии. | ![]() |
Кривая отключения отражает порог срабатывания при защите от короткого замыкания. Кривая B - автомат срабатывает при появлении в цепи тока в 3 - 5 раз больше номинального (то есть автомат на 16 А отключит цепь при токе 48 - 80 А). Кривая С - ток в цепи в 5 - 10 раз больше номинального (то есть автомат на 16 А отключит цепь при токе 80 - 160 А). Кривая D - ток в цепи в 10 - 14 раз больше номинального (то есть автомат на 16 А отключит цепь при токе 160 - 224 А). |
![]() |
Число полюсов. Для ДИФ-101 существует два варианта исполнения: 2P для использования в однофазных сетях и 4P для трехфазных сетей. | ||
![]() |
Ток утечки - это величина тока в миллиамперах (мА), при появлении которой в цепи дифавтомат ее отключает, то есть чем этот параметр меньше, тем аппарат чувствительнее. Дифавтоматы на 10 и 30 мА служат для защиты человека от поражения электрическим током, а модели с током утечки 100 и 300 мА защищают от пожара при утечках тока. |
Преимущества
- Доставка по всей России
- Более 200 000 товаров в ассортименте
- Профессиональная консультация
- Кабель БЕЗ опасности
- Качество по ГОСТу
|
Бренд
|
DEKraft |
|
СрокГарантии, мес
|
60 |
|
Количество полюсов
|
2 |
|
Марка изделия
|
ДИФ-101 |
|
Модульная ширина (общее кол-во модульных расстояний)
|
7 |
|
Номинальное напряжение, В
|
230 |
|
Номинальная отключающая способность, кА
|
4.5 |
|
Номинальный ток утечки, мА
|
300 |
|
Номинальный ток, А
|
63 |
|
Тип тока утечки
|
AC |
-
Зайдите на страницу товара и нажмите на кнопку «В корзину».
Далее можно продолжить покупки или перейти к оформлению заказа.
-
Перейдите в Корзину и нажмите «Перейти к оформлению».
Можно авторизоваться или оформить заказ без регистрации. Зарегистрированные пользователи могут:
- Отслеживать статус заказа
- Получать спецпредложения и промокоды на дополнительные скидки
- Укажите Ваши контакты: ФИО, телефон и e-mail.
- Выберите способ получения заказа (доставка или пункт самовывоза) и способ оплаты.
- Далее «Оформить заказ».
Готово: ваш заказ создан! По электронной почте или в личном кабинете Вы можете отслеживать статус заказа.
Теперь останется только ждать доставки и радоваться новой покупке!
Оплачивайте покупки удобным способом.
В нашем интернет-магазине доступно 3 варианта оплаты:
- Оплата наличными или картой при самовывозе в пункте выдачи заказов/магазине.
- Онлайн-оплата на сайте при оформлении заказа. Для совершения покупки система перенаправит вас на страницу платежного сервиса. Здесь необходимо заполнить форму по инструкции.
- Оплата по счету для юридических лиц. Оплата происходит после предоставления реквизитов для выставления счета. Покупатель получает счет на указанный e-mail.
Доступно 3 варианта доставки:
- Самовывоз из магазина. Список торговых точек для выбора появится в корзине. Для получения заказа обратитесь к сотруднику в кассовой зоне и назовите номер заказа.
- Доставка транспортной компанией СДЭК или Почтой РФ в отделение или постамат.
По всем возникающим вопросам можете позвонить нам на горячую линию:
Ежедневно с 8:00 до 20:00 по МСК
E-mail: help@kristall43.ru
Адрес: 610000, г. Киров, ул. Щорса, 68г, кабинет 3








, либо А -
. 



