Автоматический выключатель дифференциального тока D63-22C32-AC-У3 OptiDin КЭАЗ (1Р+N, 32 А, характеристика C, тип AC, 30 мА, 4,5 кА)
Выключатели автоматические КЭАЗ, управляемые дифференциальньм током, со встроенной защитой от сверхтоков, типa OptiDin D63 предназначены для применения в однофазных электрических цепях переменного тока частоты 50 Гц с глухозаземленной нейтралью номинальным напряжением не выше 230 В и номинальными токами до 40 А, для защиты людей от поражения электрическим током при неисправностях электрооборудования или при непреднамеренном контакте с открытыми проводящими частями электроустановок, а также для предотвращения возгораний и пожаров, возникающих вследствие протекания токов утечки и замьканий на землю, для защиты от токов перегрузки и короткого замыкания и oпepaтивных включений и отключений указанных цепей.
Соответствуют требованиям ГОСТ IEC 61009-1, ТР ТС 004/2011, ТР ТС 020/2011, ТР ЕАЭС 037/2016.
Преимущества
- Осуществляют три вида защиты.
- Экономия места в щитке - 36 мм (дифавтомат не требует установки дополнительного автоматического выключателя).
- Возможность установки в качестве вводного устройства благодаря высокому значению предельной коммутационной способности 4,5 кА.
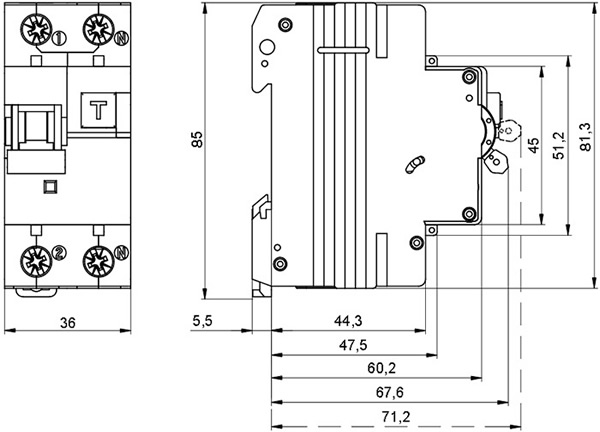
Размеры

Особенности конструкции
- Индикация положения контактов.
- Повышенная помехозащищенность позволяет избежать ложных срабатываний устройства.

- Возможность установки в местах с повышенной влажностью и резкими перепадами температур благодаря покрытой лаком электронной плате.
- Возможность подключения проводников сечением до 25 кв.мм.

Технические характеристики
| Артикул | 328101 |
| Тип изделия | выключатель автоматический, управляемый дифференциальным током, со встроенной защитой от сверхтоков |
| Число и тип полюсов | 1P+N |
| Количество защищенных полюсов | 1 |
| Модульная ширина (шаг 18 мм) | 2 |
| Род тока | переменный (АС) |
| Номинальное рабочее напряжение Ue, В | АС 230 |
| Частота тока, Гц | 50 |
| Номинальный ток In, А | 32 |
| Предельная коммутационная способность переменного тока Icu, А | 4500 |
| Номинальный отключающий дифференциальный ток, мА | 30 |
| Вид расцепителей | тепловой и электромагнитный |
| Уставка расцепителей токов короткого замыкания | 5In - 10In |
| Характеристика диапазона отключения | С |
| Рабочая характеристика в случае дифференциального тока с сотавляющей постоянного тока, тип | АС |
| Потери мощности, Вт | 12 |
| Категория перенапряжения | 3 |
| Класс токоограничения | 3 |
| Селективная защита | нет |
| Отключение нейтрали (N) | да |
| Номинальное импульсное напряжение Uimp, В | 4000 |
| Номинальное напряжение изоляции Ui, В | 230 |
| Механическая износостойкость, циклов | 6000 |
| Коммутационная износостойкость, циклов | 4000 |
| Возможность самостоятельного подключения дополнительных устройств | нет |
| Способ крепления | DIN-рейка |
| Присоединение внешних проводников | переднее |
| Сечение провода, присоединяемого к выводным зажимам, кв.мм | 1,0 - 25 |
| Крутящий момент затяжки винтов, Н*м | 2 |
| Диапазон рабочих температур, °C | -40... +55 |
| Степень защиты от пыли и влаги | IP20 |
| Климатическое исполнение и категория размещения | У3 |
| Степень загрязнения | 3 |
| Рабочий режим | продолжительный |
| Средний срок службы, лет | 15 |
| Вес изделия, г | 190 |
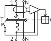
Схема электрическая принципиальная

Преимущества
- Доставка по всей России
- Более 200 000 товаров в ассортименте
- Профессиональная консультация
- Кабель БЕЗ опасности
- Качество по ГОСТу
|
Бренд
|
КЭАЗ |
|
СрокГарантии, мес
|
12 |
|
Количество полюсов
|
2 |
|
Марка изделия
|
OptiDin D63 |
|
Модульная ширина (общее кол-во модульных расстояний)
|
2 |
|
Номинальная отключающая способность, кА
|
4.5 |
|
Номинальный ток утечки, мА
|
30 |
|
Номинальный ток, А
|
32 |
|
Тип тока утечки
|
AC |
-
Зайдите на страницу товара и нажмите на кнопку «В корзину».
Далее можно продолжить покупки или перейти к оформлению заказа.
-
Перейдите в Корзину и нажмите «Перейти к оформлению».
Можно авторизоваться или оформить заказ без регистрации. Зарегистрированные пользователи могут:
- Отслеживать статус заказа
- Получать спецпредложения и промокоды на дополнительные скидки
- Укажите Ваши контакты: ФИО, телефон и e-mail.
- Выберите способ получения заказа (доставка или пункт самовывоза) и способ оплаты.
- Далее «Оформить заказ».
Готово: ваш заказ создан! По электронной почте или в личном кабинете Вы можете отслеживать статус заказа.
Теперь останется только ждать доставки и радоваться новой покупке!
Оплачивайте покупки удобным способом.
В нашем интернет-магазине доступно 3 варианта оплаты:
- Оплата наличными или картой при самовывозе в пункте выдачи заказов/магазине.
- Онлайн-оплата на сайте при оформлении заказа. Для совершения покупки система перенаправит вас на страницу платежного сервиса. Здесь необходимо заполнить форму по инструкции.
- Оплата по счету для юридических лиц. Оплата происходит после предоставления реквизитов для выставления счета. Покупатель получает счет на указанный e-mail.
Доступно 3 варианта доставки:
- Самовывоз из магазина. Список торговых точек для выбора появится в корзине. Для получения заказа обратитесь к сотруднику в кассовой зоне и назовите номер заказа.
- Доставка транспортной компанией СДЭК или Почтой РФ в отделение или постамат.
По всем возникающим вопросам можете позвонить нам на горячую линию:
Ежедневно с 8:00 до 20:00 по МСК
E-mail: help@kristall43.ru
Адрес: 610000, г. Киров, ул. Щорса, 68г, кабинет 3