Автоматический выключатель дифференциального тока DEKraft ДИФ103-4.5кА-1N-040A-030-C (1P+N, 40 А, характеристика C, 30 мА, 4,5 кА, тип АС)
Автоматический выключатель дифференциального тока сочетает функции автоматического выключателя и УЗО (ВДТ).
Обеспечивает три вида защиты: от короткого замыкания, перегрузки и возникновения утечки тока, в частности, вследствие прикосновения человека к токоведущим частям.
При срабатывании дифференциального автомата от утечки тока выступает кнопка "Возврат", которая, таким образом, указывает отключение цепи - именно утечку, а не перегрузку или короткое замыкание.
Аппарат не даст возможности взвести его повторно, если предварительно не была нажата выступившая кнопка "Возврат".
АВДТ DEKraft серии ДИФ-103 с отключающей способностью 4,5 кА применяется в однофазных сетях переменного тока 220 В частотой 50 Гц.
Устанавливается в распределительных, учетно-распределительных, телекоммуникационных щитах.
Используется в жилищном, гражданском строительстве, сельском хозяйстве, инфраструктуре объектов промышленности.
Преимущества
- Самая полная защита электрической цепи - от токов КЗ, токов перегрузки и токов утечки, без дополнительного использования УЗО или автоматического выключателя.
- Окошко-индикатор состояния контактов всегда показывает, замкнуты контакты или разомкнуты, вне зависимости от положения рукоятки управления.
- Подключается быстрее и проще, чем автомат в паре с УЗО.
- Занимает на 30% меньше места в распределительном щите, чем автомат в паре с УЗО.
- Меньше затрат, чем на покупку автомата и УЗО.
- Четкая маркировка с крупными буквами.
- Быстрая проверка работоспособности аппарата кнопкой "Тест" без вызова электрика (проверку следует проводить ежемесячно).
Размеры

Конструкция и материалы
- В конструкцию АВДТ входят автоматический выключатель и дифференциальный блок электронного типа.
Автоматический выключатель состоит из электромагнитного и теплового расцепителей, обеспечивающих защиту от сверхтоков перегрузки и короткого замыкания, и расцепляющего устройства с дугогасительной камерой.
- Материал корпуса: пластик, не поддерживающий горение.
- Имеется возможность установки дополнительного оборудования (дополнительный контакт, сигнальный контакт, независимый расцепитель 220 В с дополнительным контактом, независимый расцепитель 24 В, 48 В AC/DC с дополнительным контактом, расцепитель максимального напряжения 280 В, расцепитель минимального напряжения 161 В, расцепитель максимального / минимального напряжения).
Внешний вид устройства:
![]() |
1 - клеммы для подвода питания (фаза и N соответственно). 3 - серия. 5 - номинальная частота. 7 - отключающая способность. 9 - маркировка N-полюса. 11 - электрическая схема. 13 - знак сертификации. 15 - клеммы для подвода нагрузки (фаза и N соответственно). |
Технические характеристики
| Артикул | 16056DEK |
| Тип изделия | автоматический выключатель дифференциального тока |
| Тип устройства | электронный |
| Количество и тип полюсов | 1P+N |
| Модульная ширина (шаг 18 мм) | 2 |
| Номинальное рабочее напряжение Ue, В | АС 230 |
| Номинальная частота сети, Гц | 50 / 60 |
| Номинальный ток In, А | 40 |
| Номинальный отключающий дифференциальный ток IΔn, мА | 30 |
| Тип дифференциального расцепителя | АС |
| Номинальный неотключающий дифференциальный ток IΔno, мА | 15 |
| Номинальная включающая и отключающая способность IΔm, А | 3000 |
| Время отключения (срабатывания) при IΔn, с. | ≤0,1 |
| Номинальная отключающая способность Icn, А | 4500 |
| Рабочая отключающая способность Ics, А | 4500 |
| Кривая отключения (диапазон токов мгновенного расцепления) | C |
| Номинальное импульсное выдерживаемое напряжение Uimp, B | 4000 |
| Номинальное напряжение по изоляции Ui, В | 500 |
| Механическая износостойкость, не менее, циклов В-О | 4000 |
| Коммутационная износостойкость, не менее, циклов В-О | 4000 |
| Диапазон рабочих температур, °С | -40... +60 |
| Степень защиты от пыли и влаги | IP20 |
| Способ крепления | на DIN-рейку 35 мм |
| Рабочее положение в пространстве | любое |
| Максимальное сечение подключаемого провода, кв.мм | 25 |
| Предельное усилие затяжки клеммных зажимов, Н*м | 3 |
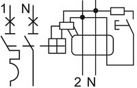
Схемы
Схема электрическая:

Схема работы АВДТ:

Принцип работы АВДТ 1P+N: два проводника
Времятоковые характеристики

Преимущества
- Доставка по всей России
- Более 200 000 товаров в ассортименте
- Профессиональная консультация
- Кабель БЕЗ опасности
- Качество по ГОСТу
|
Бренд
|
DEKraft |
|
СрокГарантии, мес
|
60 |
|
Количество полюсов
|
2 |
|
Марка изделия
|
ДИФ-103 |
|
Модульная ширина (общее кол-во модульных расстояний)
|
2 |
|
Номинальная отключающая способность, кА
|
4.5 |
|
Номинальный ток утечки, мА
|
30 |
|
Номинальный ток, А
|
40 |
|
Тип тока утечки
|
AC |
-
Зайдите на страницу товара и нажмите на кнопку «В корзину».
Далее можно продолжить покупки или перейти к оформлению заказа.
-
Перейдите в Корзину и нажмите «Перейти к оформлению».
Можно авторизоваться или оформить заказ без регистрации. Зарегистрированные пользователи могут:
- Отслеживать статус заказа
- Получать спецпредложения и промокоды на дополнительные скидки
- Укажите Ваши контакты: ФИО, телефон и e-mail.
- Выберите способ получения заказа (доставка или пункт самовывоза) и способ оплаты.
- Далее «Оформить заказ».
Готово: ваш заказ создан! По электронной почте или в личном кабинете Вы можете отслеживать статус заказа.
Теперь останется только ждать доставки и радоваться новой покупке!
Оплачивайте покупки удобным способом.
В нашем интернет-магазине доступно 3 варианта оплаты:
- Оплата наличными или картой при самовывозе в пункте выдачи заказов/магазине.
- Онлайн-оплата на сайте при оформлении заказа. Для совершения покупки система перенаправит вас на страницу платежного сервиса. Здесь необходимо заполнить форму по инструкции.
- Оплата по счету для юридических лиц. Оплата происходит после предоставления реквизитов для выставления счета. Покупатель получает счет на указанный e-mail.
Доступно 3 варианта доставки:
- Самовывоз из магазина. Список торговых точек для выбора появится в корзине. Для получения заказа обратитесь к сотруднику в кассовой зоне и назовите номер заказа.
- Доставка транспортной компанией СДЭК или Почтой РФ в отделение или постамат.
По всем возникающим вопросам можете позвонить нам на горячую линию:
Ежедневно с 8:00 до 20:00 по МСК
E-mail: help@kristall43.ru
Адрес: 610000, г. Киров, ул. Щорса, 68г, кабинет 3
