Лента светодиодная 5 м Gauss BT055 Basic (SMD 5050, 12 В, 10 Вт/м, 60 led/м, 700 лм/м, RGB, IP20)
Светодиодная лента Gauss серии Basic предназначена для общего освещения помещений, подсветки рабочих поверхностей и декоративного контурного освещения.

Размеры

Технические характеристики
| Тип изделия | лента светодиодная |
| Тип светодиодов | SMD 5050 |
| Плотность светодиодов, led/м | 60 |
| Напряжение питания, В | DC 12 |
| Максимальная мощность, Вт/м | 10 |
| Номинальный ток, мА | 926 |
| Световой поток, лм/м | 700 |
| Цвет свечения | RGB (Мультиколор) |
| Индекс цветопередачи Ra | >80 |
| Коэффициент пульсации светового потока, % | <5 |
| Угол рассеивания, градусов | 120 |
| Наименьший радус изгиба, мм | 25 |
| Длина модуля резки, мм | 50 |
| Температура эксплуатации, °C | -25... +45 |
| Степень защиты от пыли и влаги | IP20 |
| Способ монтажа | самоклеящейся основой к поверхности |
| Класс защиты от поражения электрическим током | III |
| Срок службы, часов | 25000 |
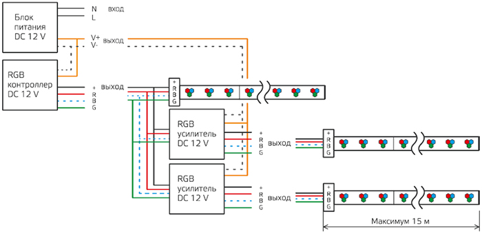
Монтаж и подключение
Подключение led ленты DC 12 В напрямую к электросети 230 В / 50 Гц категорически запрещено.
Для ее подключения необходимо использовать блок питания для низковольтных устройств.
Светодиодная RGB лента подключается к контроллеру в строгом соблюдении полярности: "V+" - питание ленты, R (red) - управление красным цветом, G (green) - управление зеленым цветом, B (blue) - управление синим цветом.
Схема параллельного подключения RGB лент:

Если необходимо оптимизировать длину ленты, отрез производится по отметкам на соединительной плате.
Внимание!
Во избежание повреждения токопроводящей площадки при монтаже ленту не перекручивать и не сгибать!

Порядок монтажа

Рекомендации по выбору блока питания
Для корректной работы ленты следует правильно выбрать блок питания.
При выборе блока питания для низковольтового устройства следует опираться на два основных его параметра:
выходное напряжение и мощность.
Выходное напряжение блока питания должно полностью совпадать с рабочим напряжением устройства.
Мощность блока питания должна превышать суммарную мощность подключенного устройства на 20% (коэффициент 1,2).
Пример расчета необходимой мощности блока питания для подключения 10 м LED ленты мощностью 4,8 Вт/м:
Необходимая мощность блока питания равна: 10 м х 4,8 Вт/м х 1,2 = 57,6 Вт.
Таким образом, необходимо выбрать блок питания 60 Вт.
Преимущества
- Доставка по всей России
- Более 200 000 товаров в ассортименте
- Профессиональная консультация
- Кабель БЕЗ опасности
- Качество по ГОСТу
|
Бренд
|
Gauss |
|
Габарит корпуса свд
|
5050 |
|
Напряжение, В
|
12 |
|
СрокГарантии, мес
|
12 |
|
Количество свд, свд/м
|
60 |
|
Мощность, Вт/м
|
10 |
|
Самоклеющаяся
|
Да |
|
Световой поток, лм/м
|
700 |
|
Тип изделия
|
Лента свд |
-
Зайдите на страницу товара и нажмите на кнопку «В корзину».
Далее можно продолжить покупки или перейти к оформлению заказа.
-
Перейдите в Корзину и нажмите «Перейти к оформлению».
Можно авторизоваться или оформить заказ без регистрации. Зарегистрированные пользователи могут:
- Отслеживать статус заказа
- Получать спецпредложения и промокоды на дополнительные скидки
- Укажите Ваши контакты: ФИО, телефон и e-mail.
- Выберите способ получения заказа (доставка или пункт самовывоза) и способ оплаты.
- Далее «Оформить заказ».
Готово: ваш заказ создан! По электронной почте или в личном кабинете Вы можете отслеживать статус заказа.
Теперь останется только ждать доставки и радоваться новой покупке!
Оплачивайте покупки удобным способом.
В нашем интернет-магазине доступно 3 варианта оплаты:
- Оплата наличными или картой при самовывозе в пункте выдачи заказов/магазине.
- Онлайн-оплата на сайте при оформлении заказа. Для совершения покупки система перенаправит вас на страницу платежного сервиса. Здесь необходимо заполнить форму по инструкции.
- Оплата по счету для юридических лиц. Оплата происходит после предоставления реквизитов для выставления счета. Покупатель получает счет на указанный e-mail.
Доступно 3 варианта доставки:
- Самовывоз из магазина. Список торговых точек для выбора появится в корзине. Для получения заказа обратитесь к сотруднику в кассовой зоне и назовите номер заказа.
- Доставка транспортной компанией СДЭК или Почтой РФ в отделение или постамат.
По всем возникающим вопросам можете позвонить нам на горячую линию:
Ежедневно с 8:00 до 20:00 по МСК
E-mail: help@kristall43.ru
Адрес: 610000, г. Киров, ул. Щорса, 68г, кабинет 3