Выключатель одноклавишный Legrand 695600 Valena (10 А, механизм) скрытой установки, слоновая кость
Электроустановочные изделия Legrand серии Valena сочетают в себе элегантность исполнения, качество, безопасность и надежность.
Механизмы с безвинтовыми зажимами помогут сэкономить время монтажа и достичь идеального результата.

Преимущества

Размеры

Материалы и цвета
| Цвет клавиши | Слоновая кость (RAL1013) |
| Материал клавиши | поликарбонат (обладает хорошей стойкостью к УФ воздействию) |
| Материал механизма подсоединения | поликарбонат |
| Материал суппорта, захватов и винтов | оцинкованная сталь |
| Материал пружины захватов | стальная рояльная проволока |
| Материал контактов | AgNi (без содержания кадмия, являющегося загрязняющим элементом) |
| Материал безвинтовых зажимов | CuZn15 / X12 CrNi 177 |
Технические характеристики
| Тип изделия | выключатель |
| Количество клавиш | 1 |
| Конструктивное исполнение | механизм с суппортом и клавишей без рамки |
| Тип монтажа | скрытая установка |
| Напряжение, В | 250 |
| Номинальный ток | 10 АХ* |
| Тип зажимов | безвинтовые |
| Температура хранения и эксплуатации, °С | -5... +40 |
| Степень защиты от механического воздействия | IK04 (0,5 Дж) |
| Огнестойкость (самозатухание), °С | 850 (30 сек. - механизм); 650 (30 сек. - клавиша) |
| Вес изделия, г | 69 |
* АХ означает способность выключателя работать с реактивной нагрузкой номинальным током 10 А, то есть с люминесцентными светильниками.
Монтаж
- Механизмы серии Valena устанавливаются в стандартные монтажные коробки скрытого монтажа.
- Механизмы всех выключателей и кнопок оснащены креплением на винтах и на захватах.
- Демонтаж лицевой панели осуществляется отверткой, которая вставляется в специальные пазы.

- Механизмы Valena оснащены комбинированными винтами Pozidrive с мелким шагом резьбы, со шлицем под плоскую отвертку и диаметром 3 мм.
![]() |
![]() |
| Отвертка / шлиц PZ1 или плоский шлиц 0,8 х 4 | Расстояние между захватами от 50 до 71 мм |
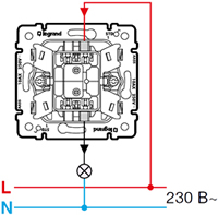
Подключение
- Механизмы выключателей и кнопок Valena оснащены безвинтовыми зажимами для подсоединения медных проводников.
Требуемая длина снятия оболочки кабеля - 12 мм для всех механизмов.
- Пружина подключения с двойной пластиной состоит из 2 симметричных частей, что позволяет одновременно подсоединить 2 проводника разного диаметра и гарантирует надежность подключения (сечение от 1 до 2,5 кв.мм).
- Конструкция зажимов также позволяет подсоединить гибкие проводники (жилы кабеля) без применения специального инструмента.
Достаточно вручную расплести жилы (без оконцовки кабельными наконечниками).
Отдельная жила кабеля вводится в зажим нажатием на защелку.
В корпусе механизма имеется специальный желоб конической формы для проводников, а кабельные выводы расположены под углом 35°.
При вводе проводников заглушка обеспечивает электрическое разделение между органом управления и кабельным вводом.
Схема подключения

Преимущества
- Доставка по всей России
- Более 200 000 товаров в ассортименте
- Профессиональная консультация
- Кабель БЕЗ опасности
- Качество по ГОСТу
-
Зайдите на страницу товара и нажмите на кнопку «В корзину».
Далее можно продолжить покупки или перейти к оформлению заказа.
-
Перейдите в Корзину и нажмите «Перейти к оформлению».
Можно авторизоваться или оформить заказ без регистрации. Зарегистрированные пользователи могут:
- Отслеживать статус заказа
- Получать спецпредложения и промокоды на дополнительные скидки
- Укажите Ваши контакты: ФИО, телефон и e-mail.
- Выберите способ получения заказа (доставка или пункт самовывоза) и способ оплаты.
- Далее «Оформить заказ».
Готово: ваш заказ создан! По электронной почте или в личном кабинете Вы можете отслеживать статус заказа.
Теперь останется только ждать доставки и радоваться новой покупке!
Оплачивайте покупки удобным способом.
В нашем интернет-магазине доступно 3 варианта оплаты:
- Оплата наличными или картой при самовывозе в пункте выдачи заказов/магазине.
- Онлайн-оплата на сайте при оформлении заказа. Для совершения покупки система перенаправит вас на страницу платежного сервиса. Здесь необходимо заполнить форму по инструкции.
- Оплата по счету для юридических лиц. Оплата происходит после предоставления реквизитов для выставления счета. Покупатель получает счет на указанный e-mail.
Доступно 3 варианта доставки:
- Самовывоз из магазина. Список торговых точек для выбора появится в корзине. Для получения заказа обратитесь к сотруднику в кассовой зоне и назовите номер заказа.
- Доставка транспортной компанией СДЭК или Почтой РФ в отделение или постамат.
По всем возникающим вопросам можете позвонить нам на горячую линию:
Ежедневно с 8:00 до 20:00 по МСК
E-mail: help@kristall43.ru
Адрес: 610000, г. Киров, ул. Щорса, 68г, кабинет 3


