Розетка двухместная EKF EYR16-128-20 "Стокгольм" (16 А, IP20) скрытой установки, с заземлением и защитными шторками, черный
Электроустановочные изделия EKF серии "Стокгольм" для тех, кто ценит стиль в каждой детали, и кому близка эстетика минимализма.
Вы по достоинству оцените уровень комфорта и тактильные ощущения при управлении светом и при подключении электроприборов.

Скандинавский дизайн ассоциируется с лаконичностью и, в то же время, с максимальной функциональностью и удобством пользования.
Никаких броских цветных пятен, лишь тонкие линии в цвет Вашего интерьера на белом матовом фоне.
Белый, классический черный, шампань, а также более активные красные, зеленые линии дополняют образ Вашего дома и подчеркивают Вашу индивидуальность.
Для самых изысканных интерьеров - серия "Стокгольм" в черном цвете, с использованием рамок из натурального металла.

Преимущества
|
Устанавливать механизмы в ряд стало |
Универсальные симметричные рамки |
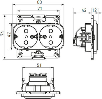
Размеры

Материалы и цвета
| Цвет лицевой панели | Черный (RAL 9005) |
| Тип поверхности лицевой панели | матовый |
| Материал лицевой панели | поликарбонат |
| Материал основания | пластик, не поддерживающий горение |
Технические характеристики
| Тип изделия | розетка штепсельная c заземляющими контактами, с защитными шторками |
| Исполнение | механизм с суппортом, лицевой панелью, без рамки |
| Количество гнезд | 2 |
| Номинальное напряжение, В | АС 230 |
| Частота тока, Гц | 50 |
| Номинальный ток, А | 16 |
| Степень защиты от пыли и влаги | IP20 |
| Тип монтажа | скрытая установка |
| Способ крепления | в распор (лапками) и винтами |
| Способ подключения | безвинтовые клеммы |
| Вес изделия, г | 73 |
Схема подключения

Преимущества
- Доставка по всей России
- Более 200 000 товаров в ассортименте
- Профессиональная консультация
- Кабель БЕЗ опасности
- Качество по ГОСТу
|
Бренд
|
EKF |
|
Заземление
|
Да |
|
СрокГарантии, мес
|
12 |
|
Количество постов
|
2 |
|
Номинальное напряжение, В
|
230 |
|
Номинальный ток, А
|
10 |
|
Со шторками
|
Да |
|
Серия
|
f74605d9-1d1d-11ed-a502-00155da43c00 |
|
Тип изделия
|
розетка |
-
Зайдите на страницу товара и нажмите на кнопку «В корзину».
Далее можно продолжить покупки или перейти к оформлению заказа.
-
Перейдите в Корзину и нажмите «Перейти к оформлению».
Можно авторизоваться или оформить заказ без регистрации. Зарегистрированные пользователи могут:
- Отслеживать статус заказа
- Получать спецпредложения и промокоды на дополнительные скидки
- Укажите Ваши контакты: ФИО, телефон и e-mail.
- Выберите способ получения заказа (доставка или пункт самовывоза) и способ оплаты.
- Далее «Оформить заказ».
Готово: ваш заказ создан! По электронной почте или в личном кабинете Вы можете отслеживать статус заказа.
Теперь останется только ждать доставки и радоваться новой покупке!
Оплачивайте покупки удобным способом.
В нашем интернет-магазине доступно 3 варианта оплаты:
- Оплата наличными или картой при самовывозе в пункте выдачи заказов/магазине.
- Онлайн-оплата на сайте при оформлении заказа. Для совершения покупки система перенаправит вас на страницу платежного сервиса. Здесь необходимо заполнить форму по инструкции.
- Оплата по счету для юридических лиц. Оплата происходит после предоставления реквизитов для выставления счета. Покупатель получает счет на указанный e-mail.
Доступно 3 варианта доставки:
- Самовывоз из магазина. Список торговых точек для выбора появится в корзине. Для получения заказа обратитесь к сотруднику в кассовой зоне и назовите номер заказа.
- Доставка транспортной компанией СДЭК или Почтой РФ в отделение или постамат.
По всем возникающим вопросам можете позвонить нам на горячую линию:
Ежедневно с 8:00 до 20:00 по МСК
E-mail: help@kristall43.ru
Адрес: 610000, г. Киров, ул. Щорса, 68г, кабинет 3

