Датчик движения ДД-МВ101 IEK LDD11-101MB-1200-001 (1200 Вт, 8 м, 360°, IP20) открытой установки, белый
Датчики движения микроволновые предназначены для автоматического включения нагрузки при появлении движущихся объектов в зоне обнаружения датчика и выключения нагрузки с возможностью настройки времени отключения, уровня освещенности и дальности обнаружения.
Применяются, в основном, для управления внутренним освещением и устройствами сигнализации.
Преимущества
- Работоспособность датчика не зависит от температуры объектов или окружающей среды.
- Контроль передвижения объектов не только в зоне прямой видимости, но охват всего пространства вокруг датчика.
- Высокая чувствительность и способность реагировать на самые незначительные движения объекта в зоне обнаружения.
- Возможность свободного проникновения излучения датчика через тонкие перегородки, что дает возможность "видеть" одному датчику сразу несколько комнат.
- Возможность незаметного монтажа датчика - под стеклом светильника, натяжным или подвесным потолком и т.д.
- Компактный размер датчика.
- Контрольный индикатор включения нагрузки.
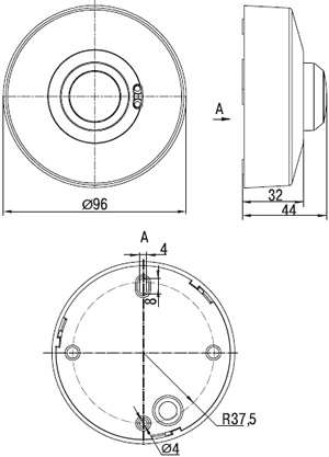
Размеры

Принцип действия
- Микроволновый датчик движения работает по принципу локации СВЧ-излучением.
- Датчик излучает высокочастотные электромагнитные волны с частотой 5,8 ГГц и получает эхо, отраженное от объектов.
- В случае обнаружения малейших изменений электромагнитных волн микропроцессор датчика приводит в действие заданные настройки.
Технические характеристики
| Тип изделия | датчик движения микроволновый |
| Элемент, коммутирующий нагрузку | электромеханическое реле |
| Номинальное напряжение, В | АС 230 |
| Номинальная частота тока, Гц | 50 |
| Несущая частота, ГГц | 5,8 |
| Мощность передатчика, мВт | <0,2 |
| Потребляемая мощность датчика во включенном состоянии, не более, Вт | 0,9 |
| Максимальная мощность нагрузки для ламп накаливания, Вт | 1200 |
| Максимальная мощность нагрузки для люминесцентных бесстартерных ламп, В*А | 300 |
| Встроенные регуляторы | регулятор времени выдержки, регулятор уровня освещенности, регулятор дальности обнаружения |
| Минимальное время выдержки | 10 ±3 секунд |
| Максимальное время выдержки | 12 ±1 минут |
| Порог срабатывания в зависимости от уровня освещенности, лк | 3 - 2000 |
| Максимальная дальность обнаружения объекта, м | 8 |
| Скорость обнаружения движения, м/с | 0,6 - 1,5 |
| Угол обзора в горизонтальной плоскости, градусов | 360 |
| Угол обзора в вертикальной плоскости, градусов | 180 |
| Диапазон рабочих температур, °C | -25... +70 |
| Степень защиты от пыли и влаги | IP20 (ГОСТ 14254) |
| Климатическое исполнение и категория размещения | УХЛ3 |
| Класс защиты от поражения электрическим током | II |
| Сечение подключаемых проводников, кв.мм | 0,75 - 1,5 |
| Наличие контрольного индикатора включения нагрузки | есть |
| Цвет свечения индикатора включения нагрузки | Зеленый |
| Тип монтажа | накладной |
| Срок службы изделия, лет | 7 |
Диаграмма направленности датчика
Диаграмма направленности датчика при температуре +24 °C.

Монтаж и подключение
- При выборе места установки необходимо учитывать следующие факторы.
Микроволновые датчики движения способны обнаруживать объекты через препятствия: тонкие стены, двери, стекла и др.
Можно устанавливать датчик под стеклом светильника, подвесным или натяжным потолком, внутри дома перед дверью для обнаружения объектов на улице.
Чувствительность датчика не зависит от температуры окружающей среды.
- Для установки и подключения повернуть против часовой стрелки защитную крышку датчика. Снять крышку.
- Пропустить сетевой провод и провода от нагрузки через сальник внутрь датчика.
- Подключить датчик в соответствии с нижеприведенной схемой к безвинтовым контактам клеммной колодки.
- Установить датчик на опорную поверхность (потолок, стена) и закрепить его через два отверстия в корпусе винтами самонарезающими.
- Включить сетевое питание. Протестировать датчик и настроить параметры.
- Установить на датчик защитную крышку. Закрепить ее поворотом по часовой стрелке.
Преимущества
- Доставка по всей России
- Более 200 000 товаров в ассортименте
- Профессиональная консультация
- Кабель БЕЗ опасности
- Качество по ГОСТу
|
Бренд
|
IEK |
|
Дальность действия, м
|
8 |
|
СрокГарантии, мес
|
24 |
|
Коммутационная мощность, Вт
|
1200 |
|
Номинальное напряжение, В
|
230 |
|
Модель изделия
|
ДД-МВ 101 |
|
Угол обнаружения по горизонтали
|
360 |
-
Зайдите на страницу товара и нажмите на кнопку «В корзину».
Далее можно продолжить покупки или перейти к оформлению заказа.
-
Перейдите в Корзину и нажмите «Перейти к оформлению».
Можно авторизоваться или оформить заказ без регистрации. Зарегистрированные пользователи могут:
- Отслеживать статус заказа
- Получать спецпредложения и промокоды на дополнительные скидки
- Укажите Ваши контакты: ФИО, телефон и e-mail.
- Выберите способ получения заказа (доставка или пункт самовывоза) и способ оплаты.
- Далее «Оформить заказ».
Готово: ваш заказ создан! По электронной почте или в личном кабинете Вы можете отслеживать статус заказа.
Теперь останется только ждать доставки и радоваться новой покупке!
Оплачивайте покупки удобным способом.
В нашем интернет-магазине доступно 3 варианта оплаты:
- Оплата наличными или картой при самовывозе в пункте выдачи заказов/магазине.
- Онлайн-оплата на сайте при оформлении заказа. Для совершения покупки система перенаправит вас на страницу платежного сервиса. Здесь необходимо заполнить форму по инструкции.
- Оплата по счету для юридических лиц. Оплата происходит после предоставления реквизитов для выставления счета. Покупатель получает счет на указанный e-mail.
Доступно 3 варианта доставки:
- Самовывоз из магазина. Список торговых точек для выбора появится в корзине. Для получения заказа обратитесь к сотруднику в кассовой зоне и назовите номер заказа.
- Доставка транспортной компанией СДЭК или Почтой РФ в отделение или постамат.
По всем возникающим вопросам можете позвонить нам на горячую линию:
Ежедневно с 8:00 до 20:00 по МСК
E-mail: help@kristall43.ru
Адрес: 610000, г. Киров, ул. Щорса, 68г, кабинет 3